دانلود نقشه سه بعدی یاتاقان UCP

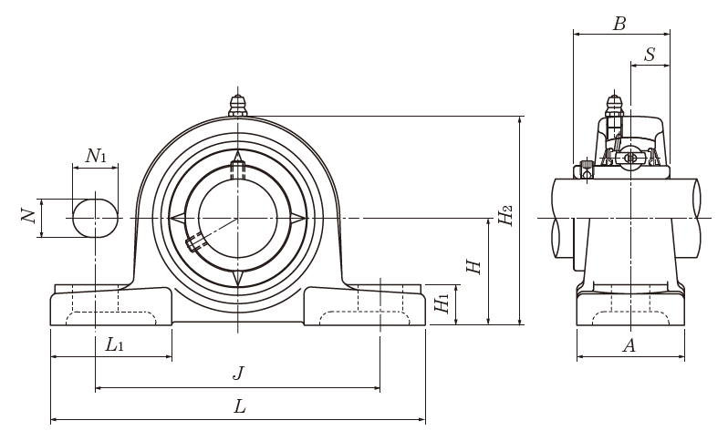
| Part Number [Project] | L | A | J | L1 | H | N | N1 | H1 | H2 | B | S | HOLE | DOWNLOAD |
| irantaminsanat.ir UCP-201 | 127 | 38 | 95 | 42 | 30.2 | 13 | 16 | 14 | 62 | 31 | 12.7 | 12 | دانلود |
| irantaminsanat.ir UCP-202 | 127 | 38 | 95 | 42 | 30.2 | 13 | 16 | 14 | 62 | 31 | 12.7 | 15 | دانلود |
| irantaminsanat.ir UCP-203 | 127 | 38 | 95 | 42 | 30.2 | 13 | 16 | 14 | 62 | 31 | 12.7 | 17 | دانلود |
| irantaminsanat.ir UCP-204 | 127 | 38 | 95 | 42 | 33.3 | 13 | 16 | 14 | 65 | 31 | 12.7 | 20 | دانلود |
| irantaminsanat.ir UCP-205 | 140 | 38 | 105 | 42 | 36.5 | 13 | 16 | 15 | 71 | 34.1 | 14.3 | 25 | دانلود |
| irantaminsanat.ir UCP-206 | 165 | 48 | 121 | 54 | 42.9 | 17 | 20 | 17 | 83 | 38.1 | 15.9 | 30 | دانلود |
| irantaminsanat.ir UCP-207 | 167 | 48 | 127 | 54 | 47.6 | 17 | 20 | 18 | 93 | 42.9 | 17.5 | 35 | دانلود |
| irantaminsanat.ir UCP-208 | 184 | 54 | 137 | 52 | 49.2 | 17 | 20 | 18 | 98 | 42.9 | 19 | 40 | دانلود |
| irantaminsanat.ir UCP-209 | 190 | 54 | 146 | 60 | 54 | 17 | 20 | 20 | 106 | 49.2 | 19 | 45 | دانلود |
| irantaminsanat.ir UCP-210 | 206 | 60 | 159 | 65 | 57.2 | 20 | 23 | 21 | 114 | 51.6 | 19 | 50 | دانلود |
| irantaminsanat.ir UCP-211 | 219 | 60 | 171 | 65 | 63.5 | 20 | 23 | 23 | 126 | 55.6 | 22.2 | 55 | دانلود |
| irantaminsanat.ir UCP-212 | 241 | 70 | 184 | 70 | 69.8 | 20 | 23 | 25 | 138 | 65.1 | 25.4 | 60 | دانلود |
| irantaminsanat.ir UCP-213 | 265 | 70 | 203 | 77 | 76.2 | 25 | 28 | 27 | 151 | 65.1 | 25.4 | 65 | دانلود |
| irantaminsanat.ir UCP-214 | 266 | 72 | 210 | 77 | 79.4 | 25 | 28 | 27 | 157 | 74.6 | 30.2 | 70 | دانلود |
| irantaminsanat.ir UCP-215 | 275 | 74 | 217 | 80 | 82.6 | 25 | 28 | 28 | 163 | 77.8 | 33.3 | 75 | دانلود |
| irantaminsanat.ir UCP-216 | 292 | 78 | 232 | 85 | 88.9 | 25 | 28 | 30 | 175 | 82.6 | 33.3 | 80 | دانلود |
| irantaminsanat.ir UCP-217 | 310 | 83 | 247 | 85 | 95.2 | 25 | 28 | 32 | 187 | 85.7 | 34.1 | 85 | دانلود |
| irantaminsanat.ir UCP-218 | 327 | 88 | 262 | 90 | 101.6 | 27 | 30 | 33 | 200 | 96 | 39.7 | 90 | دانلود |
کمی صبر کنید...