دانلود نقشه سه بعدی یاتاقان UCT

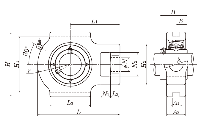
| لینک دانلود نقشه | لینک خرید محصول | N1 | L2 | H2 | N2 | N | L3 | A1 | H1 | H | L | A2 | A | r | L1 | B1 | S | HOLE | NAME |
| دانلود | خرید یاتاقان | 16 | 12 | 51 | 32 | 19 | 51 | 12 | 76 | 89 | 94 | 21 | 32 | 33 | 61 | 31 | 12.7 | 12 | UCT 201 |
| دانلود | خرید یاتاقان | 16 | 12 | 51 | 32 | 19 | 51 | 12 | 76 | 89 | 94 | 21 | 32 | 33 | 61 | 31 | 12.7 | 15 | UCT 202 |
| دانلود | خرید یاتاقان | 16 | 12 | 51 | 32 | 19 | 51 | 12 | 76 | 89 | 94 | 21 | 32 | 33 | 61 | 31 | 12.7 | 17 | UCT 203 |
| دانلود | خرید یاتاقان | 16 | 12 | 51 | 32 | 19 | 51 | 12 | 76 | 89 | 94 | 21 | 32 | 33 | 61 | 31 | 12.7 | 20 | UCT 204 |
| دانلود | خرید یاتاقان | 16 | 12 | 51 | 32 | 19 | 51 | 12 | 76 | 89 | 97 | 24 | 32 | 35 | 62 | 34.1 | 14.3 | 25 | UCT 205 |
| دانلود | خرید یاتاقان | 16 | 12 | 56 | 37 | 22 | 57 | 12 | 89 | 102 | 113 | 28 | 37 | 43 | 70 | 38.1 | 15.9 | 30 | UCT 206 |
| دانلود | خرید یاتاقان | 16 | 15 | 64 | 37 | 22 | 64 | 12 | 89 | 102 | 129 | 30 | 37 | 51 | 78 | 42.9 | 17.5 | 35 | UCT 207 |
| دانلود | خرید یاتاقان | 19 | 18 | 83 | 49 | 29 | 83 | 16 | 102 | 114 | 144 | 33 | 49 | 56 | 88 | 49.2 | 19 | 40 | UCT 208 |
| دانلود | خرید یاتاقان | 19 | 18 | 83 | 49 | 29 | 83 | 16 | 102 | 117 | 145 | 35 | 49 | 57 | 88 | 49.2 | 19 | 45 | UCT 209 |
| دانلود | خرید یاتاقان | 16 | 18 | 83 | 49 | 29 | 86 | 16 | 102 | 117 | 151 | 37 | 49 | 59 | 92 | 51.6 | 16 | 50 | UCT 210 |
| دانلود | خرید یاتاقان | 25 | 21 | 102 | 64 | 35 | 95 | 22 | 130 | 146 | 171 | 38 | 64 | 65 | 106 | 55.6 | 22.2 | 55 | UCT 211 |
| دانلود | خرید یاتاقان | 32 | 21 | 102 | 64 | 35 | 102 | 22 | 130 | 146 | 194 | 42 | 64 | 75 | 119 | 65.1 | 25.4 | 60 | UCT 212 |
| دانلود | خرید یاتاقان | 32 | 23 | 111 | 70 | 41 | 121 | 26 | 151 | 167 | 224 | 44 | 70 | 87 | 137 | 65.1 | 25.4 | 65 | UCT 213 |
| دانلود | خرید یاتاقان | 32 | 23 | 111 | 70 | 41 | 121 | 26 | 151 | 167 | 224 | 46 | 70 | 87 | 137 | 74.6 | 30.2 | 70 | UCT 214 |
| دانلود | خرید یاتاقان | 32 | 23 | 111 | 70 | 41 | 121 | 26 | 151 | 167 | 232 | 48 | 70 | 92 | 140 | 77.8 | 33.3 | 75 | UCT 215 |
| دانلود | خرید یاتاقان | 32 | 23 | 111 | 70 | 41 | 121 | 26 | 165 | 184 | 235 | 51 | 70 | 95 | 140 | 82.6 | 33.3 | 80 | UCT 216 |
| دانلود | خرید یاتاقان | 38 | 31 | 124 | 73 | 48 | 157 | 30 | 173 | 198 | 260 | 54 | 73 | 98 | 162 | 85.7 | 34.1 | 85 | UCT 217 |
کمی صبر کنید...