دانلود نقشه سه بعدی یاتاقان UCF

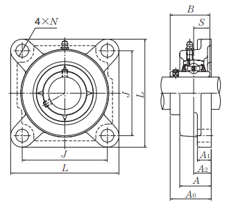
| Part Number | L | JJ | A2 | A1 | AA | NN | A0 | B | SS | HOLE | لینک خرید محصول | لینک دانلود نقشه |
| UCF 201 | 86 | 64 | 15 | 11 | 25.5 | 12 | 33.3 | 31 | 12.7 | 12 | خرید یاتاقان | دانلود |
| UCF 202 | 86 | 64 | 15 | 11 | 25.5 | 12 | 33.3 | 31 | 12.7 | 15 | خرید یاتاقان | دانلود |
| UCF 203 | 86 | 64 | 15 | 11 | 25.5 | 12 | 33.3 | 31 | 12.7 | 17 | خرید یاتاقان | دانلود |
| UCF 204 | 86 | 64 | 15 | 11 | 25.5 | 12 | 33.3 | 31 | 12.7 | 20 | خرید یاتاقان | دانلود |
| UCF 205 | 95 | 70 | 16 | 13 | 27 | 12 | 35.8 | 34.1 | 14.3 | 25 | خرید یاتاقان | دانلود |
| UCF 206 | 108 | 83 | 18 | 13 | 31 | 12 | 40.2 | 38.1 | 15.9 | 30 | خرید یاتاقان | دانلود |
| UCF 207 | 117 | 92 | 19 | 15 | 34 | 14 | 44.4 | 42.9 | 17.5 | 35 | خرید یاتاقان | دانلود |
| UCF 208 | 130 | 102 | 21 | 15 | 36 | 16 | 51.2 | 49.2 | 19 | 40 | خرید یاتاقان | دانلود |
| UCF 209 | 137 | 105 | 22 | 16 | 38 | 16 | 52.2 | 49.2 | 19 | 45 | خرید یاتاقان | دانلود |
| UCF 210 | 143 | 111 | 22 | 16 | 40 | 16 | 54.6 | 51.6 | 19 | 50 | خرید یاتاقان | دانلود |
| UCF 211 | 162 | 130 | 25 | 18 | 43 | 19 | 58.4 | 55.6 | 22.2 | 55 | خرید یاتاقان | دانلود |
| UCF 212 | 175 | 143 | 29 | 18 | 48 | 19 | 68.7 | 65.1 | 25.4 | 60 | خرید یاتاقان | دانلود |
| UCF 213 | 187 | 149 | 30 | 22 | 50 | 19 | 69.7 | 65.1 | 25.4 | 65 | خرید یاتاقان | دانلود |
| UCF 214 | 193 | 152 | 31 | 22 | 54 | 19 | 75.4 | 74.6 | 30.2 | 70 | خرید یاتاقان | دانلود |
| UCF 215 | 200 | 159 | 34 | 22 | 56 | 19 | 78.5 | 77.8 | 33.3 | 75 | خرید یاتاقان | دانلود |
| UCF 216 | 208 | 165 | 34 | 22 | 58 | 23 | 83.3 | 82.6 | 33.3 | 80 | خرید یاتاقان | دانلود |
| UCF 217 | 220 | 175 | 36 | 24 | 63 | 23 | 87.6 | 85.7 | 34.1 | 85 | خرید یاتاقان | دانلود |
| UCF 218 | 235 | 187 | 40 | 24 | 68 | 23 | 96.3 | 96 | 39.7 | 90 | خرید یاتاقان | دانلود |
کمی صبر کنید...